YTD-DCPS系列直流电压暂降补偿装置,功率级直流不间断电源,主要用于变频系统的抗晃电电压暂降保护。系统采用高频充电技术及微秒级差压控制补偿技术,工艺图纸组屏成套,由交流输入配电部分、整流充电部分、直流输出部分、监控部分等组成,系统采用隔离并联冗余技术,运行可靠。主要应用在发电厂、钢铁厂,化工厂,水泥厂,无人值守压缩站等现场。主要用来解决变频器在电网发生暂降和短时中断引起变频器停机的事故问题。技术特点如下:
工作原理
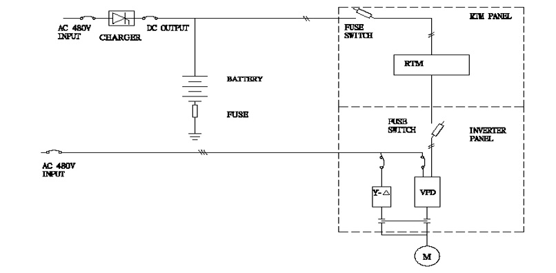
本系统由变频器,直流转换控制器,充电机,直流蓄电池,大功率器件等所构成。供电系统将380V 50Hz 交流电源,经整流转换为高压直流,对蓄电池组进行充电,同时高压直流母线经由功率开关系统连接于变频器直流端子上。在交流电源停电或异常时能继续提供纯净可靠的直流电源给负载使用,换言之,高压直流充电系统为负载设备提供了一组可靠稳定而且可控隔离的不断电的后备DC电源,可供变频器使用,使变频器能够连续运行。当交流电源恢复后,系统退出运行,转为充电状态

功能特点
1、采用开关电源特有的模块化设计,冗余热备份。
2、宽的电压输入范围,适用性强,可用于环境相对恶劣的场所。
3、充电模块可带电插拔,在线维护,方便快捷。
4、充电模块采用国际新软开关技术,转换效率高,电磁干扰小。
5、硬件差压自主控制均流技术,输出回路隔离无干扰。
6、蓄电池自动管理及保护,实时自动监测蓄电池工作状态及各项参数。
相关参数
1、系统电压:AC400V/690V
2、系统频率:AC400V/690V
3、直流支撑电压:DC540V
4、补偿切换时间:<0.1ms
5、后备支撑时间:5min-30min
6、后备补偿功率:<500KW
7、储能单元:蓄电池组
8、保护功能:短路,接地,过载保护
9、人机交互:触摸屏中文
10、查询:晃电记录及数据查询
11、装置形态:机柜式
12、通讯:RS485
13、海拔高度:<1500m<>
14、防护等级:IP30
选型样式



服务热线
首页
咨询
产品